MATLAB 帮助中心
Open Simscape HDL Workflow Advisor
sschdladvisor(model)
sschdladvisor(subsystem)
sschdladvisor(model) opens the Simscape HDL Workflow Advisor for the model.
model
example
sschdladvisor(subsystem) opens the Simscape HDL Workflow Advisor for the subsystem.
subsystem
collapse all
This example uses:
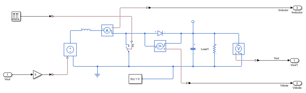
Open the Boost Converter model.
ModelName = 'sschdlexBoostConverterExample'; open_system(ModelName)
Open the Simscape HDL Workflow Advisor for the Boost Converter model.
sschdladvisor(ModelName)
Open the Boost Converter multi-network model.
ModelName = 'sschdlexBoostConverterMultiNetworkExample'; open_system(ModelName)
Select the FPGA Subsystem block and generate a state-space equivalent for it.
FPGA Subsystem
SubsysName = 'sschdlexBoostConverterMultiNetworkExample/FPGA Subsystem'; open_system(SubsysName)
Open the Simscape HDL Workflow Advisor for the FPGA Subsystem block.
sschdladvisor(SubsysName)
To generate a state-space equivalent for the FPGA Subsystem block, run the tasks in the Advisor.
Model name or handle, specified as a character vector, string scalar, or model handle.
Data Types: char | string | double
char
string
double
Subsystem name or handle, specified as a character vector, string scalar, or subsystem handle.
expand all
You can generate a Simulink® state-space equivalent model for any desired Simscape™ network of your plant model while retaining the additional networks in their original forms.
simscape.findNonlinearBlocks (Simscape)
simscape.findNonlinearBlocks
You clicked a link that corresponds to this MATLAB command:
Run the command by entering it in the MATLAB Command Window. Web browsers do not support MATLAB commands.
选择网站
选择网站以获取翻译的可用内容,以及查看当地活动和优惠。根据您的位置,我们建议您选择:。
您也可以从以下列表中选择网站:
如何获得最佳网站性能
选择中国网站(中文或英文)以获得最佳网站性能。其他 MathWorks 国家/地区网站并未针对您所在位置的访问进行优化。
美洲
欧洲
亚太
联系您当地的办事处